wafer centerline butterfly valve(pneumatic )
technical parameter
model number: d671x
applicable pressure: pn1.0~1 .6mpa
applicable size: dn50~1200
applicable temperature: -10℃~150℃
body material:ci, di, carbon steel, stainless steel, al-bronze
product structure features
1.reduce the rotational torque, support the stem, and make it separate from the body effectively, reduce the wear of the valve stem.
2.after polishing treatment, and the seat with precision.
3.to achieve zero leakage requirements of air tightness test, the opening and closing torque is small, prolong the service life of the seat.
4.stem seal is not easy to deform, thereby avoiding the usual stem leakage.
5.high precision, high strength, suitable for the installation of handle and other control devices.
6.firmly connected with the valve stem and valve plate, with anti vibration characteristics, and easy to replace.
7.good integrity, easy to control the opening and closing of the valve plate.
8.it has the characteristics of no shedding, tension, leakage prevention and convenient replacement.
9.as a device for regulating or cutting off a medium in a pipeline.
10.apply to handle control device (dn50~300), worm gear, electric and pneumatic control device.
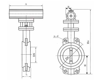
main external connection dimensions
| nominal diameter |
structure length (standard value) |
dimensions (reference value) | connection size (standard value) | |||||||||
| 0.6mpa | 1.0 mpa | 1.6 mpa | ||||||||||
| mm | in | l | h | ho | a | b | d0 | n-d | d0 | n-d | d0 | n-d |
| 50 | 2 | 43 | 63 | 315 | 180 | 65 | 110 | 4-14 | 125 | 4-18 | 125 | 4-18 |
| 65 | 2-1/2 | 46 | 70 | 330 | 180 | 65 | 130 | 4-14 | 146 | 4-18 | 145 | 4-18 |
| 80 | 3 | 46 | 83 | 390 | 245 | 72 | 150 | 4-18 | 160 | 8-18 | 160 | 8-18 |
| 100 | 4 | 52 | 105 | 431 | 240 | 72 | 170 | 4-18 | 180 | 8-18 | 180 | 8-18 |
| 125 | 5 | 56 | 115 | 455 | 240 | 72 | 200 | 8-18 | 210 | 8-18 | 210 | 8-18 |
| 150 | 6 | 56 | 137 | 626 | 350 | 93 | 225 | 8-18 | 240 | 8-22 | 240 | 8-22 |
| 200 | 8 | 60 | 164 | 720 | 350 | 93 | 280 | 8-18 | 295 | 8-22 | 295 | 12-22 |
| 250 | 10 | 68 | 206 | 800 | 550 | 350 | 335 | 12-18 | 350 | 12-22 | 355 | 12-26 |
| 300 | 12 | 78 | 230 | 860 | 600 | 350 | 395 | 12-22 | 400 | 12-22 | 410 | 12-26 |
| 350 | 14 | 78 | 248 | 883 | 600 | 350 | 445 | 12-22 | 460 | 16-22 | 470 | 16-26 |
| 400 | 16 | 102 | 289 | 972 | 600 | 350 | 495 | 16-22 | 515 | 16-26 | 525 | 16-30 |
| 450 | 18 | 114 | 320 | 1043 | 750 | 380 | 550 | 16-22 | 565 | 20-26 | 585 | 20-30 |
| 500 | 20 | 127 | 343 | 1098 | 750 | 380 | 600 | 20-22 | 620 | 20-26 | 650 | 20-33 |
| 600 | 24 | 154 | 413 | 1236 | 750 | 380 | 705 | 20-26 | 725 | 20-30 | 770 | 20-36 |
| 700 | 28 | 165 | 478 | 1431 | 750 | 380 | 810 | 24-26 | 840 | 24-30 | 840 | 24-36 |
| 800 | 32 | 190 | 525 | 1488 | 750 | 380 | 920 | 24-30 | 950 | 24-33 | 950 | 24-39 |
| 900 | 36 | 203 | 620 | 1615 | 1250 | 380 | 1020 | 24-30 | 1050 | 28-33 | 1050 | 28-39 |
| 1000 | 40 | 216 | 725 | 1765 | 1500 | 580 | 1120 | 28-30 | 1160 | 28-36 | 1170 | 28-42 |
| 1200 | 48 | 254 | 780 | 1976 | 1500 | 580 | 1340 | 32-33 | 1380 | 32-39 | 1390 | 32-48 |